-
可提供試壓報告
所有般德的產品,均可提供出廠試壓報告。
-
球墨鑄鐵實心閥體
QT450-10球鐵閥體、球化率3 級,抗拉強度450Mpa,延展率10%以上。相同厚度情況下,抗拉強度是灰鐵體的2倍,可適用的工作壓力更高。
-
高彈性閥座橡膠
閥座橡膠含膠率50%,經仿真啟閉實驗1萬次以上,無泄漏。
-
寬邊閥座
相對窄邊閥座,寬邊與管道法蘭接觸面更寬,直徑寬20毫米左右,安裝密封性能更好。
-
阿克蘇環氧塑粉
閥體噴涂采用阿克蘇的環氧樹脂塑粉,附著力強,劃格法0-1級通過;沖擊強度高,50kg?cm正沖通過;耐候性好,戶內戶外均可使用。
-
POF熱縮膜獨立包裝
DN200以下口徑采用POF熱縮膜膜獨立包裝,DN250以上采用氣泡袋或纏繞膜包裝,內置干燥劑,防潮、防淋、隔灰塵。
-
不銹鋼螺栓
螺栓采用不銹鋼材質,穩定可靠,防銹能力強。
-
防吹出閥軸設計
無銷板蝶閥閥軸采用防吹出結構,安全性能優異。
-
304不銹鋼標牌
304標牌,激光刻標,字跡清晰,存留時間長。不銹鋼鉚釘固定,外觀美觀,連接牢靠。
產品優點
產品介紹
般德閥門D371X-16Q對夾渦輪蝶閥,結構簡單,性能優良,90°回轉開關輕松,相對于手柄蝶閥,開關更省力,更適合在工業領域中使用,密封可靠,使用壽命長,在水廠、電廠、鋼廠、造紙、化工、飲食等領域都有廣泛的使用,調節和截止介質的流通。
產品參數
D371X-16Q對夾渦輪蝶閥參數信息
| 執行標準 | 名稱 | 設計及制造 | 結構長度 | 試壓標準 | ||||||||||||
| 參照標準 | GB/T 12238 | GB/T 12221 | GB/T 13927 | |||||||||||||
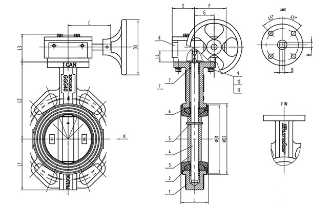
| 零部件信息 | 序號 | 1 | 2 | 3 | 4 | 5 | 6 | 7 | 8 | 9 | 10 | 11 | ||||
| 名稱 | 閥體 | 閥座 | 蝶板 | 閥軸 | 圓錐銷 | 軸套 | O型圈 | 渦輪頭 | 六角螺栓 | 彈簧墊片 | 平墊 | |||||
| 材質及說明 | DI | [EPDM]/NBR | DI/CF8/CF8M | 304/316 | 304/316 | 高分子復合材料 | [EPDM]/NBR | HT200 | 304 | 304 | 304 | |||||
| 尺寸信息 | DN | L | D1 | D2 | L1 | L2 | L3 | L4 | B | C | E | F | G | D3 |
ISO5211 上法蘭 |
|
| 2″ | DN50 | 43 | 86 | 92.3 | 75 | 129 | 59 | 24 | 9 | 110 | 45 | 67 | 44 | 136 | F05 | |
| 2.5″ | DN65 | 46 | 101 | 107 | 82 | 136 | 59 | 24 | 9 | 110 | 45 | 67 | 44 | 136 | F05 | |
| 3″ | DN80 | 46 | 116 | 122 | 99 | 153 | 59 | 24 | 9 | 110 | 45 | 67 | 44 | 136 | F05 | |
| 4″ | DN100 | 52 | 148 | 153 | 110 | 167 | 59 | 24 | 11 | 110 | 45 | 67 | 44 | 136 | F07 | |
| 5″ | DN125 | 56 | 174 | 179 | 125 | 193 | 59 | 24 | 14 | 110 | 45 | 67 | 44 | 136 | F07 | |
| 6″ | DN150 | 56 | 204 | 208.4 | 145 | 209 | 59 | 24 | 14 | 110 | 45 | 67 | 44 | 136 | F07 | |
| 8″ | DN200 | 60 | 252 | 262.3 | 170 | 251 | 75 | 30 | 17 | 172 | 61 | 85 | 53 | 277 | F10 | |
產品專利
新型蝶閥閥體專利 CN201520267217.9
般德閥門專利閥體,蝶閥閥體能適用于主要工業國家對管道側法蘭的規定安裝,增加了蝶閥的適用范圍。
蝶閥外觀專利 CN201830771212.9
般德閥門專利寬邊閥座,閥座具有密封面寬、密封效果好、安裝拆卸簡單等效果,大大地解決了傳統蝶閥閥座密封面泄漏等問題。
蝶閥寬邊閥座專利 CN201520397103.6
采用般德閥門專利閥體外觀。
語言:簡體中文
English
Русский
簡體中文












