-
精密鑄造閥體
閥體為精密鑄造閥體,材質WCB達標、外觀精細;
-
一體式設計
閥軸與閥芯一體式設計,啟閉靈活、密封可靠;
-
全包襯氟塑料
閥門各部件全部包襯氟塑料,確保耐腐蝕性;
-
襯里材料可選
襯里材料有多種選擇,可適用各種介質;
-
環氧樹脂噴涂
外觀采用環氧樹脂噴涂,噴涂厚度達到250μm;
-
出廠前試壓檢測
每臺閥門出廠前均按標準試壓檢測。
-
-
-
產品優點
產品介紹
FQ41F46襯氟放料球閥是采用FEP(F46)等氟塑料襯里的工業閥門,主要用于反應釜、儲罐等容器底部排料。該閥門適用溫度范圍為-20℃~150℃,可輸送王水、硫酸、鹽酸、氫氟酸、強堿有機溶劑等腐蝕性介質,公稱壓力涵蓋0.6-2.5MPa 。
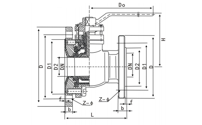
其結構采用變徑法蘭設計,左法蘭尺寸比右法蘭大一檔,閥體采用熔模精密鑄造工藝,過流部件全襯氟塑料,密封結構采用人字環形PTFE填料組合實現零泄漏 。驅動方式支持手動、氣動、電動操作。適用于化工、制藥、石油等行業腐蝕性介質管路控制。
產品參數
| 名稱 | 設計制造 | 結構長度 | 法蘭連接 | 檢驗試壓 |
| 參照標準 | GB/T 12237 | GB/T 12221 | HG/T 20592 | GB/T 13927 |
| 名稱 | 1-閥體 | 2-閥芯 | 3-密封 | 4-驅動 |
| 材質及說明 | WCB+F46/PFA CF8+F46/PFA |
WCB+F46/PFA CF8+F46/PFA |
PTFE | 手柄/蝸輪/電動/氣動 |
| SIZE | PN10 | |||||
| DN | NPS | L | φD | φD1 | f | Z-d |
| 25/50 | 1''-2'' | 125 | 115/165 | 85/125 | 3/3 | 4-14/4-18 |
| 32/65 | 1 1/4''-2 1/2'' | 135 | 140/185 | 100/145 | 3/3 | 4-18/8-18 |
| 40/65 | 1 1/2''-2 1/2'' | 150 | 150/185 | 110/145 | 3/3 | 4-18/8-18 |
| 40/80 | 1 1/2''-3'' | 150 | 150/200 | 110/160 | 3/3 | 4-18/8-18 |
| 50/80 | 2''-3'' | 165 | 165/200 | 125/160 | 3/3 | 4-18/8-18 |
| 50/100 | 2''-4'' | 165 | 165/220 | 125/180 | 3/3 | 4-18/8-18 |
| 65/100 | 2 1/2''-4'' | 180 | 185/220 | 145/180 | 3/3 | 8-18/8-18 |
| 65/125 | 2 1/2''-5'' | 180 | 185/250 | 145/210 | 3/4 | 8-18/8-18 |
| 80/125 | 3''-5'' | 240 | 200/250 | 160/210 | 3/4 | 8-18/8-18 |
| 80/150 | 3''-6'' | 240 | 200/285 | 160/240 | 3/4 | 8-18/8-22 |
| 100/150 | 4''-6'' | 260 | 220/285 | 180/240 | 3/4 | 8-18/8-22 |
| 100/200 | 4''-8'' | 260 | 220/340 | 180/295 | 3/4 | 8-18/8-22 |
語言:簡體中文
English
Русский
簡體中文












