-
加厚鋁手柄,美觀又耐用
手柄采用加厚鋁手柄設計,既保證美觀又保證耐用。
-
閥體閥板使用QT450-10材料,性能強
閥體閥板均使用QT450-10材料、球化率3級以上、抗拉強度450Mpa,延展率大于10%,不易拉裂、凍裂。
-
實心體閥體,更穩定
閥體為實心體,同等口徑重量重于其他廠家。
-
標準EPDM橡膠閥座,性能可靠無泄漏
閥座橡膠使用符合標準的EPDM橡膠,蝶閥的回彈性及拉力更穩定可靠,啟閉10000次以上無泄漏。
-
特殊工藝噴涂閥體,36個月不變色
閥體外表采用靜電粉末熱噴噴涂工藝,更加環保、耐候性更高。
-
每臺產品熱縮膜獨立包裝,隔灰又防潮
每臺般德產品均采用熱縮膜獨立包裝,并內置干燥劑,隔離空氣灰塵、利于存放,避免受潮引起的產品銹蝕。
-
產品擁有獨立身份標識,保證可追溯
每一臺般德產品從配件到成品都有其獨立的二維碼標識,保證產品可追溯。
-
智能設備試壓檢測,保證產品合格出廠
每件產品由般德智能檢測設備試壓檢測,并自動生成檢驗報告,每份數據和報告保存5年,保證出廠合格率。
-
產品優點
產品介紹
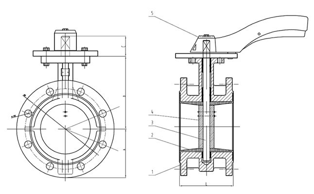
D41X鋁手柄雙法蘭蝶閥是般德閥門生產制造蝶閥產品之一,該產品結構非常簡單,小巧輕便,密封性能好,使用壽命長,手柄為鋁制,可用于低壓管道介質的開關控制。D41X鋁手柄雙法蘭蝶閥主要適用于水廠、電廠、鋼廠冶煉、造紙、化工等系統排水用,尤為適用自來水管路上作為調節流量設備使用。
產品參數
D41X鋁手柄雙法蘭蝶閥參數信息
| 閥門執行標準 | 名稱 | 設計及制造 | 結構長度 | 試壓標準 | 上法蘭尺寸 | 側法蘭尺寸 | ||
| 參照標準 | GB/T 12238-2008 | GB/T 12221-2008 | GB/T 13927-2008 | ISO 5211 | GB/T 17241.6-2008 | |||
| 主要零部件信息 | 名稱 | 1-閥體 | 2-閥座 | 3-蝶板 | 4-閥軸 | 5-鋁手柄 | ||
| 材質 | 球墨鑄鐵DI | 三元乙丙橡膠EPDM | 不銹鋼304 | 不銹鋼410 | 組件 | |||
| 尺寸信息 | DN | NPS(英寸) | A | B | C | L | D | n-φd |
| DN50 | 2" | 69.5 | 126.5 | 32 | 108 | 125 | 4-φ19 | |
| DN65 | 2.5" | 72 | 136 | 32 | 112 | 145 | 4/8-φ19 | |
| DN80 | 3" | 88 | 146 | 32 | 114 | 160 | 8-φ19 | |
| DN100 | 4" | 96.5 | 158 | 32 | 127 | 180 | 8-φ19 | |
| DN125 | 5" | 115 | 179 | 32 | 140 | 210 | 8-φ19 | |
| DN150 | 6" | 126 | 197 | 32 | 140 | 240 | 8-φ23 | |
| DN200 | 8" | 161 | 230 | 45 | 152 | 295 | 12-φ23 | |
語言:簡體中文
English
Русский
簡體中文












