-
閥體為實心重體
閥體均為實心重體,壁厚滿足GB26640要求,保證承壓強度;
-
數控精密機床加工
閥體及內件均為數控精密機床加工,精度高;
-
密封材料可選
可選用不同密封材料,以保證密封面耐磨損,耐沖刷、耐腐蝕,使用壽命長;
-
密封圈更換方便
采用可更換連接式密封圈,使用標準螺栓安裝在閥板上,可輕松更換;
-
閥軸傳動扭矩小
閥軸使用自潤滑式套筒軸承作為支撐,可以減少閥軸傳動過程中生產的摩擦,并降低扭矩;
-
雙層壓力檢測
每臺閥門出廠均按照國家標準做殼體、密封雙層壓力檢測;
-
-
-
產品優(yōu)點
產品介紹
雙偏心蝶閥是在單偏心蝶閥的基礎上進一步改良。其結構特征為在閥桿軸心既偏離蝶板中心、也偏離本體中心。雙偏心的效果使閥門被開啟后蝶板能迅即脫離閥座,大幅度地消除了蝶板與閥座的不必要的過度擠壓、刮擦現象,減輕了開啟阻距、降低了磨損、提高了閥座壽命。
雙偏心蝶閥主要適用于水廠、電廠、鋼廠冶煉、化工、水源泉工程、環(huán)境設施建設等系統(tǒng)排水用。和中線蝶閥相比, 雙偏心蝶閥更耐高壓, 壽命更長, 穩(wěn)定性好。
產品參數
| 執(zhí)行標準 | 名稱 | 設計及制造 | 結構長度 | 試壓標準 | 側法蘭尺寸 | ||||
| 參照標準 | GB/T 12238 | GB/T 12221 | GB/T 13927 | GB/T 9113/ASME B16.5 | |||||
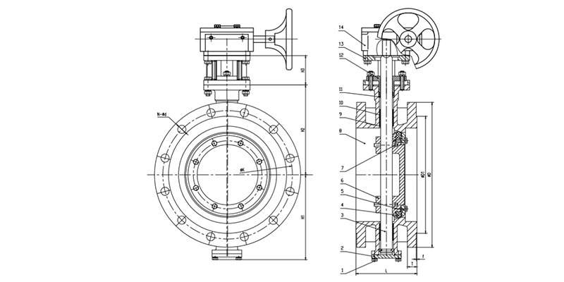
| 主要零部件信息 | 名稱 | 8-閥體 | 4-閥座密封 | 6-蝶板 | 3-閥軸 | 14-蝸輪 | |||
| 材質及說明 | WCB | EPDM | WCB | 2Cr13 | 組件 | ||||
| 尺寸信息 | 公稱尺寸 | PN10 | PN16 | 150LB | |||||
| DN | NPS(英寸) | L | φk | N-φd | φk | N-φd | φk | N-φd | |
| 50 | 2'' | 108 | 125 | 4-18 | 125 | 4-18 | 120.7 | 4-19 | |
| 65 | 2 1/2'' | 112 | 145 | 4-18 | 145 | 4-18 | 139.7 | 4-19 | |
| 80 | 3'' | 114 | 160 | 8-18 | 160 | 8-18 | 152.4 | 4-19 | |
| 100 | 4'' | 127 | 180 | 8-18 | 180 | 8-18 | 190.5 | 8-19 | |
| 125 | 5'' | 140 | 210 | 8-18 | 210 | 8-18 | 215.9 | 8-22.4 | |
| 150 | 6'' | 140 | 240 | 8-22 | 240 | 8-22 | 241.3 | 8-22.4 | |
| 200 | 8'' | 152 | 295 | 8-22 | 295 | 12-22 | 298.4 | 8-22.4 | |
| 250 | 10'' | 165 | 350 | 12-22 | 355 | 12-26 | 361.9 | 12-25.4 | |
| 300 | 12'' | 178 | 400 | 12-22 | 410 | 12-26 | 431.8 | 12-25.4 | |
| 350 | 14'' | 190 | 460 | 16-22 | 470 | 16-26 | 476.2 | 12-28.4 | |
| 400 | 16'' | 216 | 515 | 16-26 | 525 | 16-30 | 539.7 | 16-28.4 | |
| 450 | 18'' | 222 | 565 | 20-26 | 585 | 20-30 | 577.8 | 16-31.8 | |
| 500 | 20'' | 229 | 620 | 20-26 | 650 | 20-33 | 635 | 20-31.8 | |
| 600 | 24'' | 267 | 725 | 20-30 | 770 | 20-36 | 749.3 | 20-35.1 | |
語言:簡體中文
English
Русский
簡體中文












