-
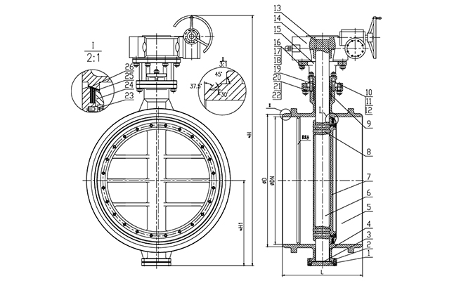
閥體
閥體為精密鑄造閥體或者整段無縫鋼管,材質性能達標,外觀精細;
-
蝶板
蝶板為數控精密機床加工,精度高
-
密封圈
密封圈為軟硬多層疊式金屬圈,具有金屬和彈性密封的雙重優點,確保在高溫、低溫環境下均有優良的密封性能
-
閥桿
閥桿采用不銹鋼420材質,經過調質處理使閥桿的強度提高一倍
-
螺絲
每臺產品的蝸輪調節螺絲均配有保護螺帽,保護調節螺絲不受損壞
-
檢測
每臺閥門出廠均按照國家標準做殼體、密封雙層壓力檢測
-
可定制
可以根據客戶工況要求做雙向密封及全金屬硬碰硬密封
-
-
產品優點
產品介紹
焊接硬密封蝶閥,采用三偏心多層次金屬硬密封結構,被廣泛用于冶金 、電力、石油化工、以及給排水和市政建設等工業管道上,作調節流量和截斷流體使用;具有金屬硬密封和彈性密封的雙重優點,無論在低溫和高溫的情況下,均具有優良的密封性能,具有耐腐蝕,使用壽命長等特點。
產品參數
| 名稱 | 設計及制造 | 結構長度 | 試壓標準 | 坡口連接尺寸 |
| 參照標準 | JB/T 8527 | GB/T 12221 | GB/T 13927 | GB/T 12224 |
| 名稱 | 設計及制造 | 結構長度 | 試壓標準 | 坡口連接尺寸 |
| 參照標準 | JB/T 8527 | GB/T 12221 | GB/T 13927 | GB/T 12224 |
| DN | NPS(英寸) | L | D | H1 | H |
| 100 | 4'' | 190 | 110 | 100 | 380 |
| 125 | 5'' | 200 | 135 | 110 | 400 |
| 150 | 6'' | 210 | 161 | 130 | 450 |
| 200 | 8'' | 230 | 222 | 210 | 550 |
| 250 | 10'' | 250 | 278 | 240 | 630 |
| 300 | 12'' | 270 | 330 | 280 | 720 |
| 350 | 14'' | 290 | 382 | 310 | 820 |
| 400 | 16'' | 310 | 432 | 350 | 920 |
| 450 | 18'' | 330 | 484 | 390 | 1060 |
| 500 | 20'' | 350 | 535 | 430 | 1130 |
| 600 | 24'' | 390 | 636 | 500 | 1280 |
| 700 | 28'' | 430 | 726 | 570 | 1480 |
| 800 | 32'' | 470 | 826 | 630 | 1610 |
| 900 | 36'' | 510 | 926 | 690 | 1860 |
| 1000 | 40'' | 550 | 1028 | 760 | 2040 |
| 1200 | 48'' | 630 | 1228 | 850 | 2240 |
語言:簡體中文
English
Русский
簡體中文












